MOPAR INJECTION TBI ( Throttle Body Injection) MONOPOINT à SIMPLE ou DOUBLE INJECTEUR.
Toujours le principe d'injecteurs mis dans un corps de carburateur. En fonction du moteur, 6 cylindres ou V8, il y aura un ou deux injecteurs. Fabriquées par Holley et equipées d'injecteurs Bosch, ce sont des injections basse pression continue (9 à 14 psi).
1-MOPAR TBI MONO POUR 6 CYLINDRES.
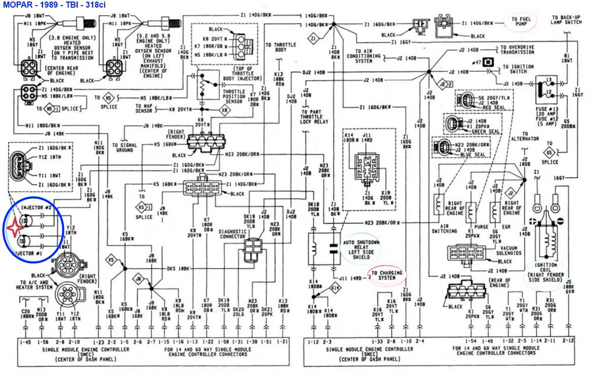
2-MOPAR TBI DOUBLE POUR 8 CYLINDRES.

  

RETOUR PAGE D'ACCUEUIL BIGTOYS ASSOCIATION